BMW Motorrad - Wiring, Battery, Switches, Relays (61) for R 75 /7 - ECE
Click on a diagram below to view and purchase parts
61_0235Tool box
61_0231Relay
61_0234Horn/brake light switch
61_0227Cable harness
61_0228Cable harness
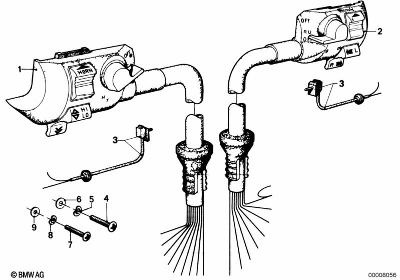
61_0221Combination switch at handlebar
61_0232Combination switch at handlebar
61_0214Wiring warning buzzer
61_0229Various additional cable harnesses
61_0230Battery
61_0215Wiring hazard warning
61_0211Plug/plug terminal
61_0241Wiring horn scale officials light loe













