BMW Motorrad - Rear Drive, Swingarm & Suspension (33) for R 60 /7 - ECE
Click on a diagram below to view and purchase parts
33_0622Differential-crown wheel set
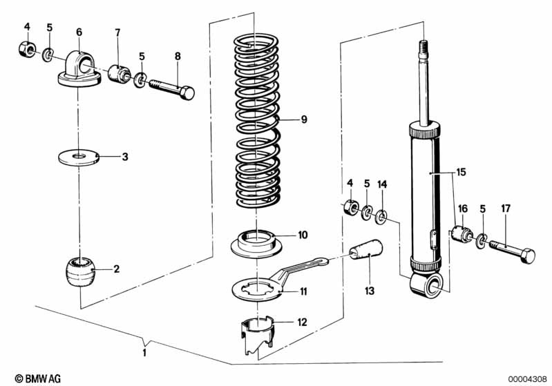
33_0625Spring strut, rear
33_0616Rear-axle-drive
33_0619Differential-bevel gear inst.parts
33_0635Self-levelling suspension
33_0633Rear-axle-drive parts
33_1655Drive Shaft
33_1652Drive Shaft
33_0634Rear wheel swinging arm parts
33_0621Differential-housing cover
33_0618Differential-spacer ring
33_0623Rear wheel swinging arm













