Bob's Motorcycles
301.497.8949
  • Learn More About Complimentary Winter Service Pick Up>>

  • 15% OFF Heated Gear with promo code WINTER15 Shop Now>>

  • Everyday Free Shipping on orders over $249 * See Exclusions

  • Like Bob's BMW on Facebook! (opens in new window)
  • Follow Bob's BMW on Instagram! (opens in new window)
Bob's BMW
  • Motorcycles
  • Parts
  • Apparel
  • Service
  • Events
  • Museum
  • About Us
  • Sale
0
Bob's BMW
Bob's BMW
Bob's BMW
Bob's BMW
  • Motorcycles
  • Parts
  • Apparel
  • Service
  • Events
  • Museum
  • About Us
  • Sale
  • Learn More About Complimentary Winter Service Pick Up>>

  • 15% OFF Heated Gear with promo code WINTER15 Shop Now>>

  • Everyday Free Shipping on orders over $249 * See Exclusions

0
  • Inventory
  • Advantage Certified Program
  • Project Bikes
  • Schedule a Test Ride
  • Sell Us Your Bike
  • Financing, Insurance, Warranty
  • Promotions
  • New Arrivals
  • BMW Microfiche
  • On Sale!
  • Bob's Used Parts
  • See All Categories
  • Recently Viewed Products
  • New Arrivals
  • All Riding Apparel
  • Lifestyle
  • On Sale!
  • See All Categories
  • Recently Viewed Products
  • Service Department
  • Maintenance & Repair
  • Restoration & Refurbish
  • Component Repair & Restoration
  • Customization
  • Bike Detail
  • Maryland State Inspection
  • Towing & Transport
  • Storage
  • No Appointment Saturday
  • Warranty
  • Service Loaners
  • Pre-Paid Maintenance Plans
  • Schedule Service
  • About Our Dealership
  • Meet the Team
  • Vintage BMW Motorcycle Museum
  • Map & Hours
  • Careers
  • Contact Us
  • News
  • Read Testimonials
Features
  • New Arrivals
  • BMW Microfiche
  • All Riding Apparel
  • Lifestyle
  • On Sale!
Shop by Model
  • BMW R - Series
  • BMW K - Series
  • BMW F&G - Series
  • BMW S - Series
  • BMW C - Series
  • BMW M - Series
Shop by category
  • BMW Microfiche
  • Maintenance
  • Bike Protection
  • Brakes / Wheels
  • Comfort / Ergonomics
  • Exhaust
  • Gadgets / Farkle
  • Lighting
  • Luggage
  • Reproduction & Alternate Parts
  • Suspension
  • Bob's Used Parts
Shop By Brand
  • BMW
  • Europa Vintage
  • KLIM
  • Ducati
  • AltRider
  • SHAD USA
  • ZTechnik
  • Bob's BMW
  • Other
  • Touratech
  • View All Brands
  • Store
  • > Microfiche
  • > R 100 GS - ECE
  • > Alarm, Audio, Navigation (65)

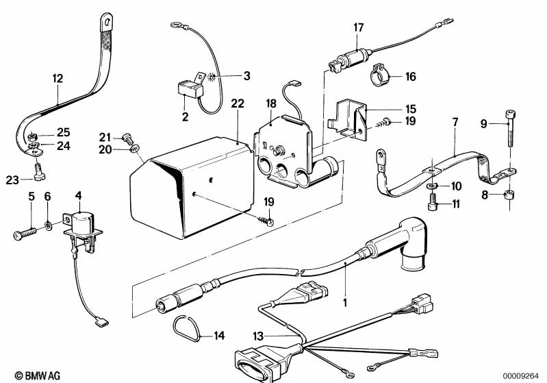
BMW Motorrad - Alarm, Audio, Navigation (65) for R 100 GS - ECE

Click on a diagram below to view and purchase parts

  • 65_032365_0323Anti-interference kit
Bob's Motorcycles
  • Like Bob's BMW on Facebook! (opens in new window)
  • Check out the Bob's BMW YouTube channel! (opens in new window)
  • Follow Bob's BMW on Instagram! (opens in new window)

Contact

  • Sales
  • Service
  • Parts & Apparel
  • Ecommerce

Motorcycles

  • Schedule a Test Ride
  • Financing
  • Get a Quote
  • Schedule Service

Departments

  • Motorcycles
  • Service
  • Parts
  • Apparel

Dealer Info

  • About Us
  • Meet The Team
  • Careers
  • Frequently Asked Questions
301.497.8949 10720 Guilford Road
Jessup, MD 20794

Monday Closed

Tue - Fri 9am - 6pm

Saturday 9am - 4pm

Sunday Closed

  • Policies
  • Privacy Policy
  • Terms of Use
  • Accessibility

Copyright© 2026 Bobs Motorcycles All Rights Reserved

It’s Easy & Automatic!

Free U.S. Ground Shipping on orders over $249*
  1. Items must total $249 or more before tax, shipping, and insurance.
  2. No promotional code required. Shipping rate will default to free ground shipping for eligible orders.
  3. Offer limited to ground shipping to U.S. addresses in the 48 contiguous states.
  4. Standard shipping rates will be applied for oversized, heavy or large items, returns and exchanges, and incomplete shipments.
Excluded from free shipping: Over-sized and/or heavy items including tires, side cases (saddlebags), top cases, windshields, body panels, seats, chemicals, fluids and select maintenance kits. Additional exclusions may apply.

Read More about shipping exclusions

Please contact us if you have further questions.